AI-干濕球溫濕度控制儀表在塑料大棚蘑菇房應用介紹
2011-12-19
宇電:干濕球溫濕度數字顯示控制報警通訊儀表(專用于高濕環境)
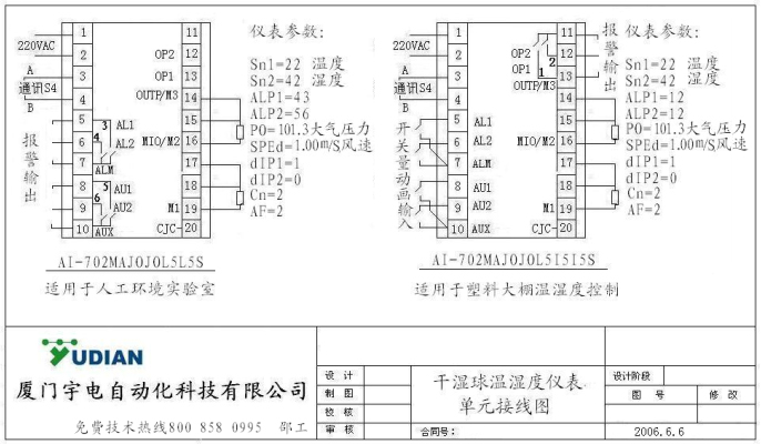
型號:AI-702MAJ0J0L5L5S(二支PT100輸入、四路報警輸出、有通訊功能。適用于環境試驗室。)
AI-702MAJ0J0L5I5I5S(二支PT100輸入、二路報警輸出、四路開關量輸入(顯示動畫狀態)、有通訊功能。適用于塑料大棚蘑菇房。)

一、干濕球濕度計的特點:
1、該系列產品溫、濕度測量精度高,具有雙通道控制功能,控制效果好。
2、使用Pt100傳感器作為溫濕度測量探頭使用壽命較長,能夠適應惡劣環境中的溫濕度測量;儀表的長期測量精度比使用一般濕敏元件的儀表更加穩定。
3、該系列儀表專用于高溫高濕環境中的溫濕度測量和控制。
二、應用場合:
1、大自然環境試驗室:由于環境試驗室長年累月模擬自然界情況日曬雨淋在高濕情況中能正常運行,顯示溫濕度,具有溫度上下限報警,濕度上下限報警,4組獨立報警輸出,具有穩定的通訊功能,用計算機軟件記錄溫濕度曲線,觀察大自然環境試驗室環境變化,觀察農作物的生長情況,配合其他風速傳感器、氣壓傳感器,所有信號多能有計算機保存。
2、塑料大棚蘑菇房:由于蘑菇房的特點濕度接近接露狀態【敏感元件不能正常顯示,接露就沒有濕度顯示】,應用干濕球溫濕度儀表能正常顯示溫濕度,實現溫濕度儀表自動控制輸出開關量控制加濕,通風,同時風機運行狀態開關量信號有溫濕度儀表采集傳輸到計算機記錄溫濕度曲線,風機開停狀態。
三、使用方法:
利用2路三線制Pt100熱電阻輸入,用干濕球法可同時測量環境溫度(干球)及濕度,在風速和大氣壓力穩定條件下,經校準后濕度測量精度優于1%RH,該方法可適應溫度0~100度及濕度0~100%RH的測量范圍,解決了一般陶瓷濕度傳感器在高溫高濕下無法長期工作問題。M1、M2分別裝兩個J0模塊,2路三線制熱電阻輸入,Sn1設置為22,Sn2設置為42,大氣壓力和風速由Po及SPEd兩個參數定義。由于兩只Pt100及測量通道的微小誤差都會對濕度測量帶來較大的誤差,因此測量濕度前建議先校準濕度,校準可將干球Pt100也纏上紗布,與濕球同等條件,穩定后調整Sc2參數,使濕度顯示值為100%,再將干球紗布去除即可。溫度測量分辨率為0.01度,濕度測量分辨率為0.1%RH,但末位數較不穩定,建議設置dIP1=1,dIP2=0,使顯示分辨率分別位0.1℃及1%RH。
四、維護介紹:
根據《國際標準干濕球計算表》干濕球法測量濕度計算公式,計算空氣的相對濕度,采用間接測量方法用五個參數;濕球四周風速(又叫流過濕球表面的空氣速度)、干球溫度、濕球溫度、大氣壓力、飽和水蒸氣壓力來設計的。
干濕球測濕法的維護相當簡單,在實際使用中,只需定期給濕球加水及更換濕球紗布即可。與電子式濕度傳感器相比,干濕球測濕法不會產生老化,精度下降等問題。所以干濕球測濕方法更適合于在高溫及惡劣環境的場合使用。
干濕球測濕法采用間接測量方法,通過測量干球、濕球的溫度經過計算得到濕度值,因此對使用溫度沒有嚴格限制,在高溫環境下測濕不會對傳感器造成損壞。
早在18世紀人類就發明了干濕球濕度計,歷史悠久,使用普遍。干濕球法是一種間接方法,它用干濕球方程換算出濕度值,而此方程是有條件的:干濕球濕度計的準確度還取決于干球、濕球兩支溫度計本身的精度;濕度計必須處于通風狀態即在濕球附近的風速必需達到2.5m/s以上:只有紗布水套、水質、風速都滿足一定要求時,才能達到規定的準確度。
返回頂部
